SPARE PARTS
eparts figure-detail hero-part

DT40W 40WR 40WK E13

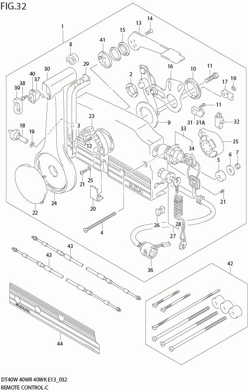
FIG 32 REMOTE CONTROL (DT40WR,MODEL:01%03)

FIG 32  REMOTE CONTROL (DT40WR,MODEL:01%03)
No No. Part Description Qty Price Per Pcs Remarks
1-2 67200-87D55-000
SUB: 67200-87D31-0EP
REMOTE CONTROL BOX (BLACK) 1 Rp4.499.000 MODEL:02,03
1-1 67200-87D55-000
SUB: 67200-87D31-0ED
REMOTE CONTROL BOX (GRAY) 1 Rp4.499.000 ?67200-87D30-0ED
2 67232-95600-000 ?BUSH 1 Rp44.000
3 67258-87D00-000 ?BRACKET 1 Rp30.000
4 67296-95600-000 ?SCREW 3 Rp56.500
5 67294-95600-000 ?SPACER 3 Rp42.500
6 09160-06104-000 ?WASHER 3 Rp22.000 ?67288-94310
7 09140-06020-000 ?NUT 3 Rp14.000
8 67259-87D00-000 ?SPRING 1 Rp55.000
9 67253-95600-000 ?WASHER 1 Rp45.500
10 67252-95600-000 ?BUSH 1 Rp45.500
11 09100-08232-000 ?BOLT 1 Rp35.000
12 67296-94300-000 ?SCREW 3 Rp10.500
13 67241-95680-000 ?LEVER 1 Rp151.000
14 DISCONTINUE
SUB: 09126-05003-000
?SCREW 2 -
15 67243-95600-000 ?BUSH 1 Rp37.000
16 DISCONTINUE
SUB: 67220-95620-000
?PLATE ASSY 1 -
17 67275-95600-000 ?END 2 Rp70.500
18 DISCONTINUE
SUB: 67223-95600-000
?KNOB 1 -
19 67292-94300-000 ?E RING 3 Rp12.500
20 67267-95610-000 ?COVER 1 Rp44.500
21 67296-95610-000 ?SCREW 7 Rp28.500
22 67257-95610-000 ?CAP 1 Rp55.500
23 67256-95600-000 ?HOLDER 1 Rp94.000
24 67251-95680-000 ?LEVER 1 Rp427.000
25 67297-95600-000 ?WASHER 2 Rp23.500
26 67273-95601-000
SUB: 67273-95600-000
?SPACER 1 Rp35.000
27 37820-92E05-000
SUB: 37820-92E00-000
?SWITCH ASSY 1 Rp369.500
28 37823-92E02-000
SUB: 37823-92E00-000
??PLATE 1 Rp221.500
29 67255-95600-000 ?ARM 1 Rp83.500
30 67261-95600-000 ?GRIP 1 Rp83.500
31A DISCONTINUE
SUB: 67238-87D00-000
?GEAR DRIVE 1 -
31 DISCONTINUE
SUB: 67214-95600-000
?ACTUATOR 1 -
32 DISCONTINUE
SUB: 37721-94600-000
?SWITCH 1 -
33 37110-99E01-000
SUB: 37110-92E02-000
?IGNITION SWITCH 1 Rp487.000
34-1 37141-92E00-000 ??KEY (11) 1 Rp178.500
34-2 37141-92E10-000 ??KEY (12) 1 Rp178.500
34-3 37141-92E20-000 ??KEY (13) 1 Rp178.500
34-4 37141-92E30-000 ??KEY (14) 1 Rp147.000
34-5 37141-92E40-000 ??KEY (15) 1 Rp178.500
34-6 37141-92E50-000 ??KEY (16) 1 Rp77.500
34-7 37141-92E60-000 ??KEY (17) 1 Rp178.500
34-8 37141-92E70-000 ??KEY (18) 1 Rp178.500
34-9 37141-92E80-000 ??KEY (19) 1 Rp178.500
34-10 37141-92E90-000 ??KEY (20) 1 Rp147.000
35 DISCONTINUE
SUB: 38500-92X50-000
?BUZZER 1 -
36-1 36620-92E00-000 ?WIRING HARNESS 1 Rp2.329.500 FOR 67200-87D30
36-2 36620-92E10-000 ?WIRING HARNESS 1 Rp2.165.500 FOR 67200-87D31
37 DISCONTINUE
SUB: 37860-94610-000
?SWITCH 1 -
38 DISCONTINUE
SUB: 09139-02003-000
?SCREW 2 -
39 67263-95600-000 ?CAP 1 Rp66.500
40 DISCONTINUE
SUB: 37869-95590-000
?CAP 1 -
41 67245-95600-000 ?DRUM ASSY 1 Rp194.000
42 67140-95601-000
SUB: 67140-95600-000
ATTACHMENT 1 Rp351.000 OPT
43-1 DISCONTINUE
SUB: 67320-93J00-000
CABLE 2 - OPT
43-2 67320-93J10-000 CABLE 2 Rp564.500 OPT
43-3 67320-93J20-000 CABLE 2 Rp613.500 OPT
43-4 67320-93J30-000 CABLE 2 Rp662.500 OPT
43-5 67320-93J40-000 CABLE 2 Rp715.000 OPT
43-6 67320-93J50-000 CABLE 2 Rp767.500 OPT
43-7 67320-93J60-000 CABLE 2 Rp820.000 OPT
43-8 DISCONTINUE
SUB: 67320-93J70-000
CABLE 2 - OPT
43-9 67320-93J80-000 CABLE 2 Rp922.000 OPT
44 67282-95610-000 DECAL 1 Rp44.000 OPT,BLACK

*Harga dapat berubah sewaktu-waktu tanpa pemberitahuan terlebih dahulu.

Pricelist Icon Dealer Icon Halo Suzuki Icon Drive Icon