< KEMBALI KE THUMBNAIL
FIG. 34PA - WIRING HARNESS REAR SIDEFIG. 34WA - BODY HARNESSFIG. 50CA - FRONT BRAKE PIPING (N_ESP)FIG- 50CB- FRONT BRAKE PIPING (W_ESP)FIG- 50DA- REAR BRAKE PIPINGFIG- 73AA- HEATER CONTROL (GA,GL)FIG. 73AB- HEATER CONTROL (GX)FIG. 101A- SHORT ENGINE ASSYFIG. 105A- ENGINE GASKET SETFIG. 110A- CYLINDER HEAD COVERFIG. 111A- CYLINDER HEADFIG.112A- CYLINDERFIG. 115A- OIL PANFIG. 120A- CRANKSHAFTFIG. 122A- CAM SHAFT/VALVEFIG. 124A- CAM CHAINFIG. 128A- ENGINE MOUNTING (5MT)FIG. 128B- ENGINE MOUNTING (4AT)FIG. 130A- INTAKE MANIFOLDFIG. 142A- THROTTLE BODYFIG. 150A- AIR CLEANERFIG. 154A- EXHAUST MANIFOLDFIG. 156A- MUFFLERFIG. 157A- DELIVERY PIPEFIG. 160A- FUEL PUMPFIG. 176A- OIL PUMPFIG. 180A- WATER PUMPFIG. 184A- RADIATOR (5MT)FIG. 184B- RADIATOR (4AT)FIG. 188A- WATER HOSE (5MT)FIG. 188B- WATER HOSE (4AT)FIG. 190A- EMISSION CONTROLFIG. 199A- LABELFIG. 202A- MT CLUTCH (5MT)FIG. 204A- MT TRANSMISSION GEAR (5MT)FIG. 206A- MT TRANSMISSION CASE (5MT)FIG. 208A- MT GEAR SHIFT FORK (5MT)FIG. 210A- AT TRANSMISSION ASSY (4AT)FIG. 214A- AT OIL PUMP (4AT)FIG. 216A- AT INPUT SHAFT (4AT)FIG. 220A- AT PLANETARY GEAR (4AT)FIG. 226A- AT REDUCTION GEAR (4AT)FIG. 228A- AT FORWARD CLUTCH (4AT)FIG. 234A- AT 1ST/REVERSE BRAKE (4AT)FIG. 237A- AT OVER DRIVE BRAKE (4AT)FIG. 240A- AT TRANSMISSION CASE (4AT)FIG. 242A- AT OIL PAN (4AT)FIG. 244A- AT VALVE (4AT)FIG. 246A- AT PARKING LOCK (4AT)FIG. 248A- AT OIL HOSE (4AT)
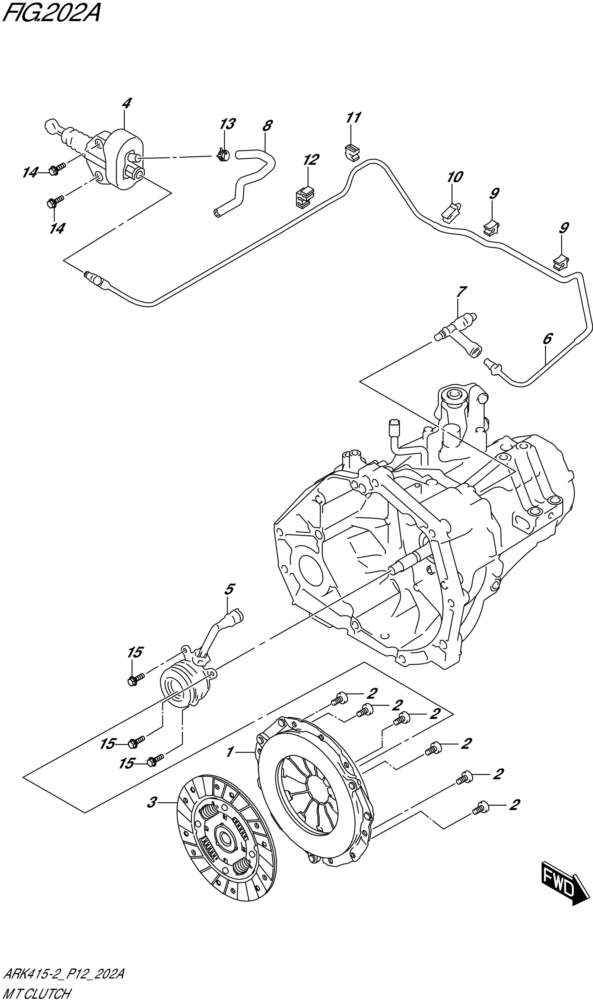
FIG. 202A- MT CLUTCH (5MT)
*Harga dapat berubah sewaktu-waktu tanpa pemberitahuan terlebih dahulu.