SPARE PARTS
eparts figure-detail hero-part

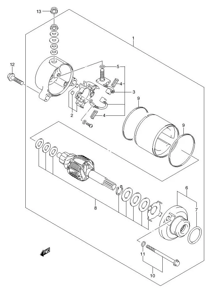
FIG.18 STARTER MOTOR 125XSD

FIG.18 STARTER MOTOR 125XSD
No No. Part Description Qty Price Per Pcs(New Part) Remarks

*Harga dapat berubah sewaktu-waktu tanpa pemberitahuan terlebih dahulu.

Pricelist Icon Dealer Icon Halo Suzuki Icon Drive Icon