SPARE PARTS
eparts figure-detail hero-part

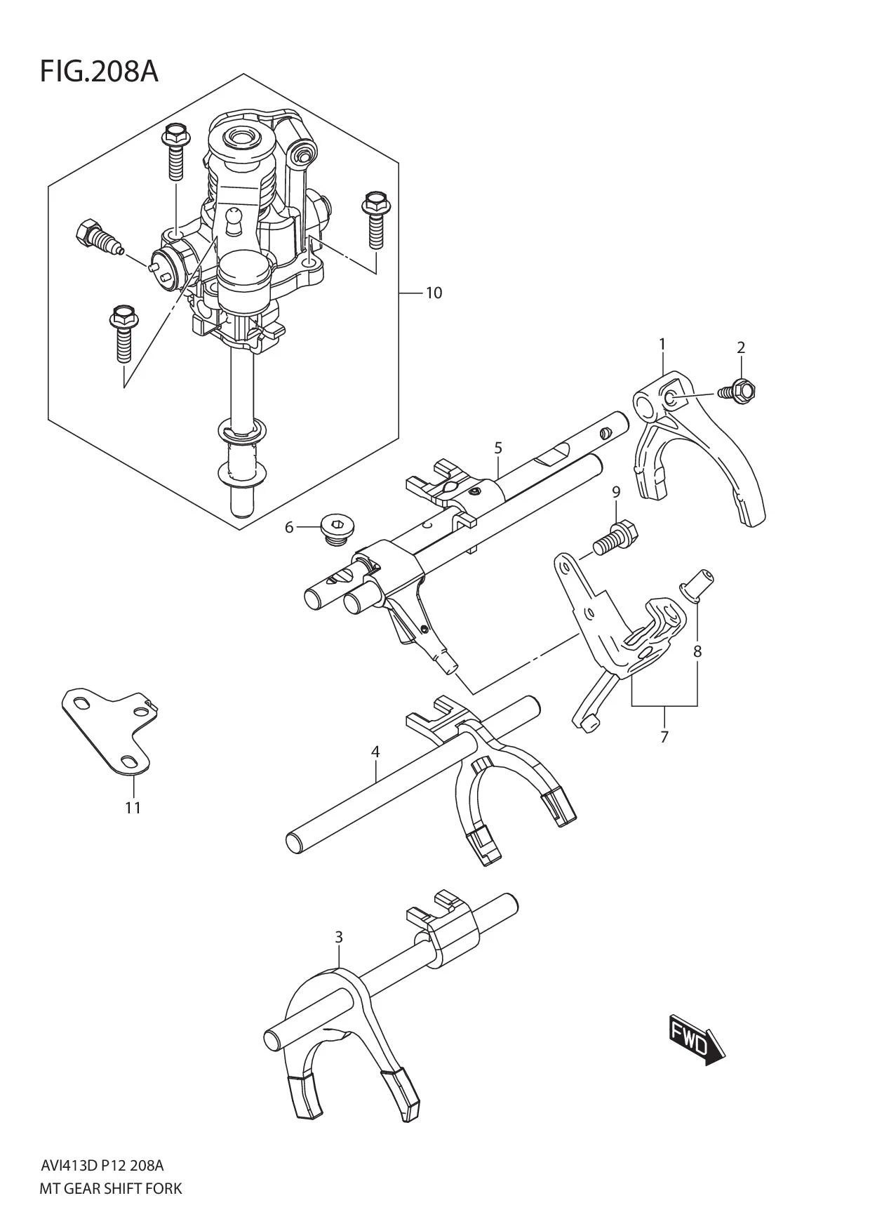
FIG.208A MT GEAR SHIFT FORK

FIG.208A MT GEAR SHIFT FORK
No No. Part Description Qty Price Per Pcs Remarks
1 25231M86J00-000 FORK,5TH GEAR SHIFT 1 Rp89.500
2 25291-70C00-000 BOLT,GEAR SHIFT FORK SHAFT 1 Rp19.500
3 25401M86JA0-000 SHAFT,LOW SPEED GEAR SHIFT 1 Rp915.000
4 25402M86JA0-000 SHAFT,HIGH SPEED GEAR SHIFT 1 Rp670.500
5 25403M79MA0-000 SHAFT,5TH & REV GEAR SHIFT 1 Rp621.500
6 DISCONTINUE
SUB: 25416-70C00-000
BOLT,GEAR SHIFT LOCATING 3 -
7 25460M79MA0-000 LEVER,REVERSE GEAR SHIFT 1 Rp112.500
8 25250M53M20-000 •LOCATING COMP,REV SHIFT 1 Rp20.500
9 01570-0820B-000
SUB: 01570-0820A-000
BOLT 2 Rp31.000
10 25057M58RB1-000
SUB: 25057M58RB0-000
SHAFT ASSY,GEAR SHIFT &SELECT 1 Rp1.691.000
11 37716M86L00-000 BRACKET,NEUTRAL SW 1 Rp10.500

*Harga dapat berubah sewaktu-waktu tanpa pemberitahuan terlebih dahulu.

Pricelist Icon Dealer Icon Halo Suzuki Icon Drive Icon