SPARE PARTS
eparts figure-detail hero-part

SX4 S-CROSS

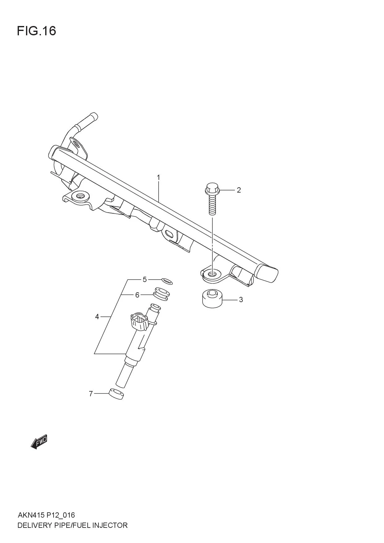
FIG.16 DELIVERY PIPE/FUEL INJECTOR

FIG.16 DELIVERY PIPE/FUEL INJECTOR
No No. Part Description Qty Price Per Pcs Remarks
1 15730-61M00-000 PIPE, FUEL DELIVERY 1 Rp1.026.500
2 01550-0830A-000
SUB: 01550B0830AN000
BOLT 2 Rp4.000
3 15735-58B00-000 INSULATOR, DELIVERY PIPE 2 Rp48.000
4 15710-55LA0-000
SUB: 15710M55LA0-000
INJECTOR ASSY,FUEL 4 Rp883.500
5 15710-09300-000
SUB: 15710B09300N000
.O RING 4 Rp13.500
6 15720-09300-000
SUB: 15720B09300N000
.GROMMET 4 Rp11.500
7 09320-09022-000
SUB: 09320B09022N000
CUSHION, INJECTOR 4 Rp8.500

*Harga dapat berubah sewaktu-waktu tanpa pemberitahuan terlebih dahulu.

Pricelist Icon Dealer Icon Halo Suzuki Icon Drive Icon