SPARE PARTS
eparts figure-detail hero-part

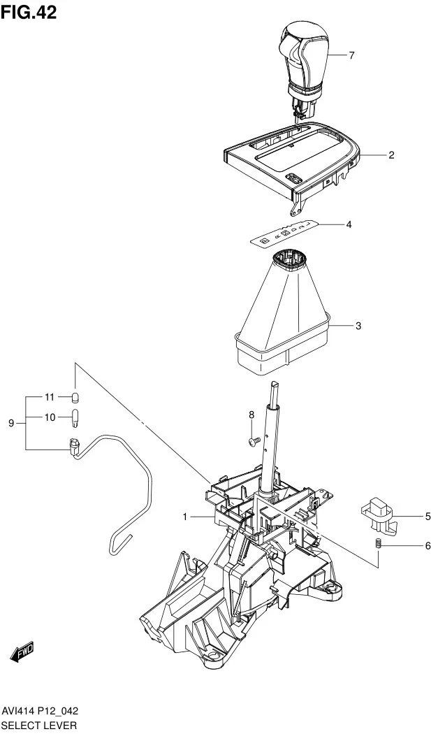
FIG.42 SELECT LEVER (AT)

FIG.42 SELECT LEVER (AT)
No No. Part Description Qty Price Per Pcs Remarks
1 28110-58M10-000 LEVER, SELECT 1 Rp1.276.000
2 28151-58M10-000 INDICATOR, SELECT LEVER 1 Rp246.000
3 28152-58M10-000 BOOT, SELECT LEVER 1 Rp570.500
4 28153-58M10-000 PLATE, SELECT POSITION 1 Rp85.500
5 28156-58M10-000 BUTTON, SHIFT LOCK RELEASE 1 Rp38.500
6 28157-58M10-000 SPRING, SHIFT LOCK RELEASE 1 Rp16.000
7 28160-58M11-000
SUB: 28160-58M10-000
KNOB ASSY, SELECT LEVER 1 Rp710.000
8 28166-58M10-000 SCREW, SELECT LEVER KNOB 2 Rp27.000
9 28180-58M10-000 LAMP ASSY, SELECT LEVER ILLUM 1 Rp136.500
10 28181-58M10-000 •BULB, ILLUM LAMP 1 Rp105.500
11 28182-58M10-000 •FILTER, ILLUM LAMP BULB 1 Rp56.000

*Harga dapat berubah sewaktu-waktu tanpa pemberitahuan terlebih dahulu.

Pricelist Icon Dealer Icon Halo Suzuki Icon Drive Icon